您所在的位置:纺机网>选型中心>粗纱机>正文
  • 打印
  • 字号
    • 12
    • 14
    • 16
  • 收藏

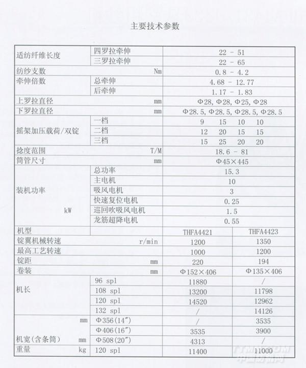
THFA4421/4423悬锭粗纱机

河北太行机械工业有限公司河北太行纺机公司

2012年09月22日  来源:中国纺机网编辑部

THFA4421/4423悬锭粗纱机是太行纺机在FA421AFA423A基础上研制的改进型粗纱机。改机型取消了原有的机械式换向结构,采用电磁离合器结构进行换向,同时简化了车头内的机械结构,使换向更精确。同时对导棉部分进行了重新设计,使得棉条筒摆放更合理,保证了棉条的垂直导入,减少意外牵伸、除此之外,保留了FA421A的其他原有的功能特点。该机型自动化程度高,操作方便,适用于普梳和精梳棉型化纤及人造纤维的纯纺和混纺。

 

 

[1][2]下一页>>
关于纺织机械 | 网络推广 | 栏目导航 | 客户案例 | 影视服务 | 纺机E周刊 | 广告之窗 | 网站地图 | 友情链接 | 本站声明 |