薛顺利 销售剖副经理
手机号码

电话:电话

传真:传真

主页:www.xy-cy.cn

邮箱:邮箱

邮编:712000

地址:陕西省咸阳市毕塬路14号   

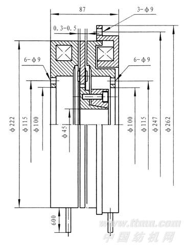
型号DZDF5-240/D离合器

型号DZDF5-240/D离合器

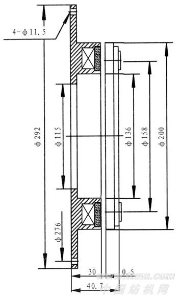
型号DLSF-900离合器

型号DLSF-900离合器

型号DLSF-350B离合器

型号DLSF-350B离合器

公司介绍

咸阳超越离合器有限公司是集研发、制造、销售的专业化公司。 公司主要产品:楔块式单向离合器、滚柱式单向离合器、非接触式单向离合器、非接触式逆止器、胀紧联结套、电磁离合器、电磁制动器、ZL40/50装载机用楔块式超越离合器、气动单向隔膜泵等。产品有20余大类型,1000多种规格供客户选择。并可根据用户需要设计制造。 产品涉及的行业有:印刷机械、包装机械、医疗器械、矿山机械、冶金机械、起重机械、纺织机械、工程机械、生产自动线、军工等。 产品可替代进口产品,并为国内厂家出口的机械产品配套。 我公司全体员工以可信的产品质量、优惠的产品价格、良好的服务去赢得各方客户的信赖。以敢为人先的超前意识、以勤奋努力、团结拼搏的奉献精神为振兴和发展民族工业尽微薄之力。 单向离合器俗称单向轴承,也是仅能单一方向(顺时针方向或逆时针方向)传动的机械传动基础件。 胀紧联结套简称胀套、锁紧联结结盘(简称锁紧盘),是当今国际上广泛用于重型载荷下机械联结的一种先进基础部件。在轮和轴的联结中,它是靠紧高强度螺栓使包容面间产生的压力和磨擦力实现负载传送的一种无键联结装置。

相关名片 [王磊 销售部副经理] [杨晟 销售部副经理] [任德睦 总经理]