| |
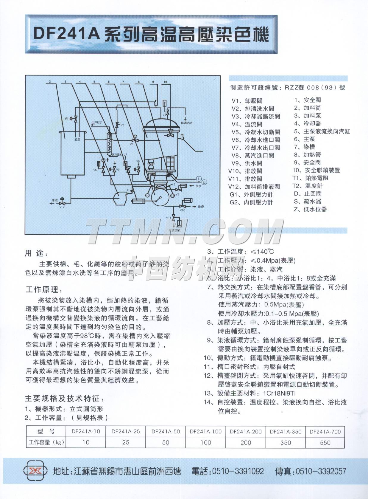
| 我们无锡西塘色织机械制造有限公司(无锡西塘石油化工机械有限公司)前身系“锡山市前洲西塘色织机械厂”(锡山市石油化工机械厂)。始建于1969年,地处太湖之滨的无锡市惠山区,紧靠沪宁高速公路道口,交通分外便利。公司占地5万多平方米,建筑面积近2万平方米,是全国中小企业中领取压力容器生产许可证的试点单位,具有一,二类压力容器制造资格,并较早通过ISO9002质量认证。产品质量,技术水平,售后服务在同行业中均列前矛。公司配有1000T,4000T压机,6米旋压机,3米环锻机等大型成型设备,装备精良。公司生产印染机械,石化设备,环保设备和医药,食品机械等,具有年产2000吨(500台套)不锈钢设备能力,其中GR90,DF241,WODY200三个系列高温高压纱线染色机,MB400坯布染色机,双氧水设备批量销往东南亚地区。KRD、TRD二系列干燥机及附助设备等环保设备常年大批出口日本及美国等地,产品深受国内外用户欢迎。本公司多年连续获得各种“先进企业”、“明星企业”,“AAA级信用企业”等称号,... |
|
|
|
| |
| 公 司:无锡西塘色织机械制造有限公司 |
 |
| 联系人:唐亚伦、杜寿岳 |
 |
| 邮 箱:Sxm888@pub.wx.jsinfo.net |
 |
| 地 址:江苏省无锡市惠山区前洲镇西塘村 |
 |
| 手 机:13906179791 |
 |
| 电 话:0510-83391092、83392057 |
 |
| 传 真:0510-83392057 |
 |
| 网 址:http://www.xtmwm.com/ |
|
|