摘 要: 永磁交流伺服系统以其卓越的性能越来越广泛地应用到机器人、数控等领域,本文对其驱动器的功能实现做了简单的描述,其中包括整流部分的整流过程、逆变部分的脉宽调制(PWM)技术的实现、控制单元相应的算法等三个部分。
关键词: DSP 整流 逆变 PWM 矢量控制
1 引言
随着现代电机技术、现代电力电子技术、微电子技术、永磁材料技术、交流可调速技术及控制技术等支撑技术的快速发展,使得永磁交流伺服技术有着长足的发展。永磁交流伺服系统的性能日渐提高,价格趋于合理,使得永磁交流伺服系统取代直流伺服系统尤其是在高精度、高性能要求的伺服驱动领域成了现代电伺服驱动系统的一个发展趋势。永磁交流伺服系统具有以下等优点:(1)电动机无电刷和换向器,工作可靠,维护和保养简单;(2)定子绕组散热快;(3)惯量小,易提高系统的快速性;(4)适应于高速大力矩工作状态;(5)相同功率下,体积和重量较小,广泛的应用于机床、机械设备、搬运机构、印刷设备、装配机器人、加工机械、高速卷绕机、纺织机械等场合,满足了传动领域的发展需求。
永磁交流伺服系统的驱动器经历了模拟式、模式混合式的发展后,目前已经进入了全数字的时代。全数字伺服驱动器不仅克服了模拟式伺服的分散性大、零漂、低可靠性等确定,还充分发挥了数字控制在控制精度上的优势和控制方法的灵活,使伺服驱动器不仅结构简单,而且性能更加的可靠。现在,高性能的伺服系统,大多数采用永磁交流伺服系统其中包括永磁同步交流伺服电动机和全数字交流永磁同步伺服驱动器两部分。伺服驱动器有两部分组成:驱动器硬件和控制算法。控制算法是决定交流伺服系统性能好坏的关键技术之一,是国外交流伺服技术封锁的主要部分,也是在技术垄断的核心。
2 交流永磁伺服系统的基本结构
交流永磁同步伺服驱动器主要有伺服控制单元、功率驱动单元、通讯接口单元、伺服电动机及相应的反馈检测器件组成,其结构组成如图1所示。其中伺服控制单元包括位置控制器、速度控制器、转矩和电流控制器等等。我们的交流永磁同步驱动器其集先进的控制技术和控制策略为一体,使其非常适用于高精度、高性能要求的伺服驱动领域,还体现了强大的智能化、柔性化是传统的驱动系统所不可比拟的。
目前主流的伺服驱动器均采用数字信号处理器(DSP)作为控制核心,其优点是可以实现比较复杂的控制算法,事项数字化、网络化和智能化。功率器件普遍采用以智能功率模块(IPM)为核心设计的驱动电路,IPM内部集成了驱动电路,同时具有过电压、过电流、过热、欠压等故障检测保护电路,在主回路中还加入软启动电路,以减小启动过程对驱动器的冲击。

图1 交流永磁同步伺服驱动器结构
伺服驱动器大体可以划分为功能比较独立的功率板和控制板两个模块。如图2所示功率板(驱动板)是强电部,分其中包括两个单元,一是功率驱动单元IPM用于电机的驱动,二是开关电源单元为整个系统提供数字和模拟电源。
控制板是弱电部分,是电机的控制核心也是伺服驱动器技术核心控制算法的运行载体。控制板通过相应的算法输出PWM信号,作为驱动电路的驱动信号,来改逆变器的输出功率,以达到控制三相永磁式同步交流伺服电机的目的。

图2 功率板
3 功率驱动单元
功率驱动单元首先通过三相全桥整流电路对输入的三相电或者市电进行整流,得到相应的直流电。经过整流好的三相电或市电,再通过三相正弦PWM电压型逆变器变频来驱动三相永磁式同步交流伺服电机。功率驱动单元的整个过程可以简单的说就是AC-DC-AC的过程。整流单元(AC-DC)主要的拓扑电路是三相全桥不控整流电路。
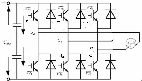
逆变部分(DC-AC)采用采用的功率器件集驱动电路,保护电路和功率开关于一体的智能功率模块(IPM),主要拓扑结构是采用了三相桥式电路原理图见图3,利用了脉宽调制技术即PWM(Pulse Width Modulation)通过改变功率晶体管交替导通的时间来改变逆变器输出波形的频率,改变每半周期内晶体管的通断时间比,也就是说通过改变脉冲宽度来改变逆变器输出电压副值的大小以达到调节功率的目的。

图3三相逆变电路
图3中 ~ 是六个功率开关管, 、 、 、分别代表3个桥臂。对各桥臂的开关状态做以下规定:当上桥臂开关管“开”状态时(此时下桥臂开关管必然是“关”状态),开关状态为1;当下桥臂开关管“开”状态时(此时下桥臂开关管必然是“关”状态),开关状态为0。三个桥臂只有“0”和“1”两种状态,因此 、 、 形成000、001、010、011、100、101、111共八种开关管模式,其中000和111开关模式使逆变输出电压为零,所以称这种开关模式为零状态。输出的线电压为 、 、 ,相电压为 、 、 ,其中 为直流电源电压(总线电压),根据以上分析可得到表1的总结。
表1三相逆变电路分析

4 控制单元
控制单元是整个交流伺服系统的核心,实现系统位置控制、速度控制、转矩和电流控制器。所采用的数字信号处理器(DSP)除具有快速的数据处理能力外,还集成了丰富的用于电机控制的专用集成电路,如A/D转换器、PWM发生器、定时计数器电路、异步通讯电路、CAN总线收发器以及高速的可编程静态RAM和大容量的程序存储器等。伺服驱动器通过采用磁场定向的控制原理( FOC) 和坐标变换,实现矢量控制(VC) ,同时结合正弦波脉宽调制(SPWM)控制模式对电机进行控制 。永磁同步电动机的矢量控制一般通过检测或估计电机转子磁通的位置及幅值来控制定子电流或电压,这样,电机的转矩便只和磁通、电流有关,与直流电机的控制方法相似,可以得到很高的控制性能。对于永磁同步电机,转子磁通位置与转子机械位置相同,这样通过检测转子的实际位置就可以得知电机转子的磁通位置,从而使永磁同步电机的矢量控制比起异步电机的矢量控制有所简化。
伺服驱动器控制交流永磁伺服电机( PMSM)伺服驱动器在控制交流永磁伺服电机时,可分别工作在电流(转矩) 、速度、位置控制方式下。系统的控制结构框图如图4所示由于交流永磁伺服电机(PMSM) 采用的是永久磁铁励磁,其磁场可以视为是恒定;同时交流永磁伺服电机的电机转速就是同步转速,即其转差为零。这些条件使得交流伺服驱动器在驱动交流永磁伺服电机时的数学模型的复杂程度得以大大的降低。从图4可以看出,系统是基于测量电机的两相电流反馈( 、 ) 和电机位置。将测得的相电流( 、 ) 结合位置信息,经坐标变化(从a ,b ,c 坐标系转换到转子d ,q 坐标系) ,得到 , 分量,分别进入各自得电流调节器。电流调节器的输出经过反向坐标变化(从d ,q 坐标系转换到a ,b ,c 坐标系) ,得到三相电压指令。控制芯片通过这三相电压指令,经过反向、延时后,得到6 路PWM 波输出到功率器件,控制电机运行。系统在不同指令输入方式下,指令和反馈通过相应的控制调节器,得到下一级的参考指令。在电流环中,d ,q 轴的转矩电流分量( )是速度控制调节器的输出或外部给定。而一般情况下,磁通分量为零( = 0) ,但是当速度大于限定值时,可以通过弱磁( < 0) ,得到更高的速度值。

图4 系统控制结构
从a,b,c坐标系转换到d,q坐标系有克拉克(CLARKE)和帕克(PARK)变换来是实现;从d,q坐标系转换到a,b,c坐标系是有克拉克和帕克的逆变换来是实现的。以下是两个变换公式,克拉克变换(CLARKE):

帕克(PARK)变换:

5 结束语
本文简单的介绍了伺服驱动器的几个主要的功能模块的实现及原理,谨帮助大家对伺服驱动器有进一步了解之用,大家如果想更深入的了解伺服驱动器的设计原理,请参考其它的文献。由于作者水平有限,不足之处在所难免,敬请读者批评指正。